

新闻资讯
新闻资讯交叉滚子17c一起草又叫十字交叉滚子17c一起草,滚动体一般采用圆柱滚子或者圆锥滚子在单一的滚道上十字交叉相互排列,滚子与滚子之间通过保持器或者隔离块间隔,其具有较高的旋转精度、较大的承载能力、较小的外形尺寸及较高的旋转速度和刚性,具有广泛的用途及其他17c一起草无法比拟的优越性。
这种十字交叉布置滚子的结构使得单个17c一起草就可以承受轴向载荷、径向载荷和倾覆力矩等各方面的载荷,与传统结构17c一起草相比,刚性提高3~4倍,同时,该系列17c一起草的外形尺寸被大限度的小型化,超薄的结构是接近极限的小型化尺寸,并且具有高刚性,所以适合于工业机器人的关节部位或者旋转部位、机械加工中心的旋转工作台、机械手旋转部、精密旋转工作台、转塔、医疗仪器等应用场合。
17c一起草 有限公司的交叉滚子17c一起草可分为RA、RB、RU、SX、XSU、CRBH、CRBF、CRBT等系列产品
1. RA系列产品型号尺寸

2. RB系列产品型号尺寸

3. RU系列产品型号尺寸

4. SX系列产品型号尺寸

5. XSU系列产品型号尺寸

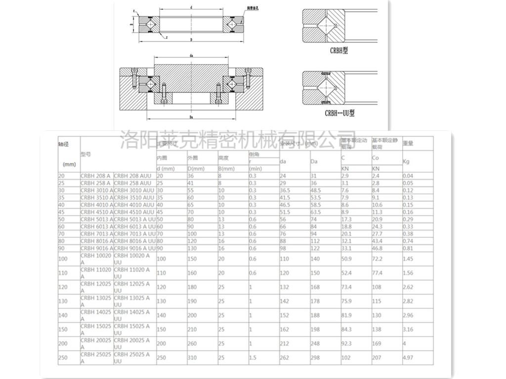
6. CRBH系列产品型号尺寸

7. CRBF系列产品型号尺寸

8. CRBT系列产品型号尺寸

如有产品选型方面的咨询,随时联系我们,15670310586